溫濕度變送器 Temperature and Humidity Transmitter

PASSIVE OR ACTIVE TEMPERATURE, RELATIVE HUMIDITY, RELATIVE HUMIDITY
AND TEMPERATURE, TEMPERATURE AND DEW POINT TRANSMITTERS
HD48.. and HD49.. series of transmitters measure temperature, relative humidity and the dew point temperature.
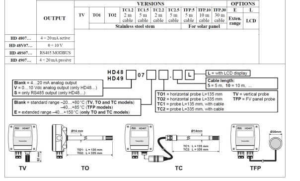
Versions with only standard analog output or with only RS485 output with MODBUS- RTU
protocol are available. The models with analog output provide a signal suitable for transmission to a remote display, recorder or PLC. The models with RS485 output are suitable for connection to a PC or PLC.
The models of the HD48.. series are active transmitters and accept both direct and 24Vac
alternating power supply; they have standard current (4…20mA) or voltage (0…10V) outputs, or a serial RS485 output, depending on the model. The models of the HD49.. series are passive transmitters and thus suitable to be inserted in a 4…20mA current loop. The HD48.. and HD49.. series of transmitters are designed for temperature and humidity control in museums, clean rooms, ventilation ducts, industrial and civil sectors, crowded places, canteens, auditoria, gyms, high-density farms, greenhouses, etc.
The HD48.. and HD49.. transmitters measure relative humidity with a well proven temperature compensated capacitive sensor that assures precise and reliable measurements in the course of time. The transmitters of the HD48.. and HD49.. series are available in two probe temperature ranges: standard -20…+80°C and extended -40…+150°C for the most critical applications. A stainless steel 20μm filter protects the sensors against dust and particles (other filters are available for different applications).
The transmitters are factory calibrated and no further adjustments are required.
(HD48…TO…, HD49…TO…), with vertical probe for wall mounting (HD48…TV…, HD49…
TV…) or with remote probe connected to the transmitter by means of a cable (HD48…TC…,HD49…TC…), cable lengths available are 2, 5 and 10m or for the measure of compressed air in pipelines (HD48…TP480, HD49…TP480). The probes can be supplied in two different lengths (135mm or 335mm).
Various accessories are available for the installation: for example to fix the probe to the
duct, it can be used the HD9008.31 flange, a 3/8” universal biconical connection or a PG16
metal cable gland (10…14mm). A 4-digit optional display (“L” model) allows to display the measured parameters in a continuous or sequential mode.


聯絡我們 Contact us:
香港 Hong Kong: Tel. 852 2691 3821 Fax. 852 2900 2980
中國 China: Tel. 86 150 17992655
電郵 Email: labsupplyhk@gmail.com
網址 Web: http://www.etc.hk
留言表格 Inquiry Form:
